Milwaukee M18FCVN Vibrating Concrete Poker Parts
Shop by diagram
All products
-
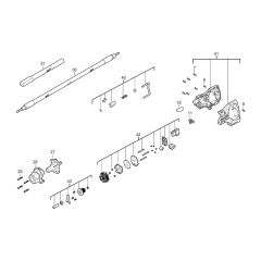
Hook for Milwaukee Machines - OEM No. 4931473794£22.82 £19.02 -
Gear Case for Milwaukee Machines - OEM No. MIL4931480527£24.42 £20.35 -
Housing for Milwaukee Machines - OEM No. MIL4931480532£56.96 £47.47 -
Rotor for Milwaukee Machines - OEM No. MIL4931480534£108.11 £90.09 -
Electronic for Milwaukee Machines - OEM No. MIL4931480538£220.34 £183.62 -
Head for Milwaukee Machines - OEM No. MIL4931480530£269.18 £224.32 -
Rod for Milwaukee Machines - OEM No. MIL4931480535£325.55 £271.29