excellent reviews view over 8000 reviews
next day delivery over 500,000 items in stock
no hassle returns buy with confidence
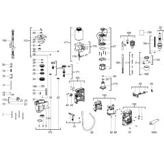
Milwaukee M18FMDP Magnetic Press Drill Parts

Milwaukee M18FMDP Magnetic Press Drill Parts

Genuine and aftermarket spare parts and accessories for Milwaukee M18FMDP Magnetic Press Drill. A selection in stock available for next day delivery. Buy from an approved Milwaukee dealer.
Genuine and aftermarket spare parts and accessories for Milwaukee M18FMDP Magnetic Press Drill. A selection in stock available for next day delivery. Buy from an approved Milwaukee dealer.

All products

Page

1-48 of 96 Items

Set Descending Direction
Page

1-48 of 96 Items

Set Descending Direction

Recently viewed products