Nilfisk MC 6P-180/1300 FA 400/3/50 Electric Pressure Washer Parts
MC - MOBILE COLD
6P - 4 CERAMIC SLEEVE PISTONS
180 - 180 BAR PRESSURE
1300 - 1300 LTRS PER HOUR
400 - 400/440 volts
3 - 3 phase
50 - 50 hz
MC - MOBILE COLD
6P - 4 CERAMIC SLEEVE PISTONS
180 - 180 BAR PRESSURE
1300 - 1300 LTRS PER HOUR
400 - 400/440 volts
3 - 3 phase
50 - 50 hz
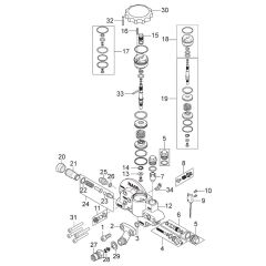
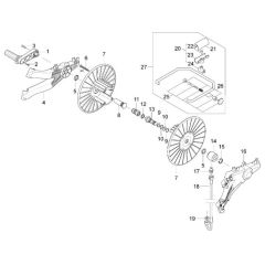
Shop by diagram
All products
-
Detergent Bottle 2.5 L for Nilfisk MC 3c, MC 4M Pressure Washers - OEM No. 107141635Was £26.96 £22.47 Special Price £21.58 £17.98 -
Screw M8x35 for Nilfisk Machines - OEM No. 6863£1.20 £1.00 -
Washer M8 for Nilfisk Machines - OEM No. 1800796£1.20 £1.00 -
Guide Pin for Nilfisk Machines - OEM No. 6100996£1.02 £0.85 -
Rotary Knob for Nilfisk Machines - OEM No. 64580£2.63 £2.19