
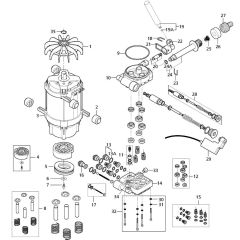
Nilfisk POSEIDON 1-20X Pressure Washer Parts
Shop by diagram
All products
-
Cable Tie for Nilfisk Machines - OEM No. 1814741£1.13 £0.94 -
Screw M6x12 for Nilfisk Machines - OEM No. 3913£1.02 £0.85 -
Hub Cap for Nilfisk Machines - OEM No. 67050£7.56 £6.30 -
Washer for Nilfisk Machines - OEM No. 127500029£8.33 £6.94 -
Spring Washer for Nilfisk Machines - OEM No. 127500050£12.84 £10.70 -
Easy Start Plug for Nilfisk Machines - OEM No. 127500005£14.33 £11.94 -
Hose Reel Handle for Nilfisk Machines - OEM No. 6528569£15.24 £12.70 -
Ipx5 Foam Kit for Nilfisk Machines - OEM No. 128500237£17.09 £14.24 -
New Fan for Nilfisk Machines - OEM No. 127500040£26.24 £21.87 -
Cylinder Guide for Nilfisk Machines - OEM No. 127500004£73.72 £61.43 -
Cylinder Head for Nilfisk Machines - OEM No. 127500034£39.72 £33.10 -
Hose Dn6 15 M 1w - 3/8-Qc for Nilfisk Machines - OEM No. 6528613£242.44 £202.03 -
Motor 2.1kw for Nilfisk Machines - OEM No. 127500039£377.52 £314.60