
DeWalt D25820K Type 1 Chipping Hammer Parts
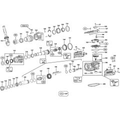
Spare Parts and Part Diagrams for DeWalt D25820K Type 1 Chipping Hammers
Spare Parts and Part Diagrams for DeWalt D25820K Type 1 Chipping Hammers
Shop by diagram
All products
-
Screw, Pan Head M5x18" for DeWalt DW540 Rotary Hammers - 324007-11Was £2.17 £1.81 Special Price £1.26 £1.05