
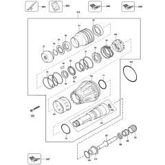
DeWalt D25900K Type 1 Demolition Hammer Parts
Spare Parts and Part Diagrams for DeWalt D25900K Type 1 Demolition Hammers
Spare Parts and Part Diagrams for DeWalt D25900K Type 1 Demolition Hammers
Shop by diagram
All products
-
Screw, Pan Head M5x18" for DeWalt DW540 Rotary Hammers - 324007-11Was £2.17 £1.81 Special Price £1.26 £1.05 -
Bearing - Genuine DeWalt Part - 605040-26£6.67 £5.56