
Shindaiwa AH262S-HD Extended Reach Hedge Trimmer Parts
Shop by diagram

Shindaiwa AH262S-HD Accessories

Throttle for Shindaiwa AH262S-HD

Main Pipe for Shindaiwa AH262S-HD

Shindaiwa AH262S-HD Blade

Gear Case for Shindaiwa AH262S-HD

Recoil Starter & Pulley

Muffler for Shindaiwa AH262S-HD

Fuel Tank for Shindaiwa AH262S-HD

Carburettor for Shindaiwa AH262S-HD

Air Cleaner & Carburettor

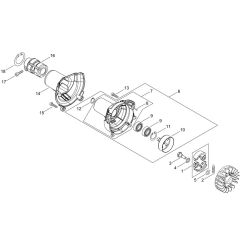
Clutch for Shindaiwa AH262S-HD

Magneto for Shindaiwa AH262S-HD

Crankcase for Shindaiwa AH262S-HD

Cylinder, Piston, Crankshaft
All products
-
Gasket for ECHO Machines - OEM No. 12314027230£3.62 £3.02
-
Bolt for ECHO Machines - OEM No. 90017505012£1.01 £0.84