
Shindaiwa C302TS Brushcutter Parts
Shop by diagram

Shindaiwa C302TS Accessories

Throttle for Shindaiwa C302TS

Main Pipe & Handle for C302TS

Gear Case & Shield for C302TS

Recoil Starter for Shindaiwa C302TS

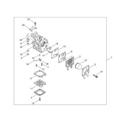
Muffler for Shindaiwa C302TS

Fuel Tank for Shindaiwa C302TS

Carburettor for Shindaiwa C302TS

Air Cleaner & Carburettor

Clutch for Shindaiwa C302TS

Magneto for Shindaiwa C302TS

Crankcase for Shindaiwa C302TS

Shindaiwa C302TS Parts
All products
-
Gasket for ECHO Machines - OEM No. 12314027230£3.62 £3.02
-
Screw for ECHO Machines - OEM No. 17723661830£1.58 £1.32
-
Pipe for ECHO Machines - OEM No. 13201049730£3.65 £3.04
-
Adaptor Plate for ECHO Machines - OEM No. 61031452130£15.46 £12.88
-
Screw for ECHO Machines - OEM No. 90022004006£0.36 £0.30
-
Screw for ECHO Machines - OEM No. 9131604010£0.40 £0.33
-
Circlip for ECHO Machines - OEM No. 90070100012£0.62 £0.52