
Stihl RE 100 K, RE 110, RE 120 K Cold Pressure Washer Parts
Spares for Stihl RE 100 K RE 110, RE 120 K Pressure Washers. Genuine and Non-Genuine Parts Available.
Spares for Stihl RE 100 K RE 110, RE 120 K Pressure Washers. Genuine and Non-Genuine Parts Available.
Shop by diagram

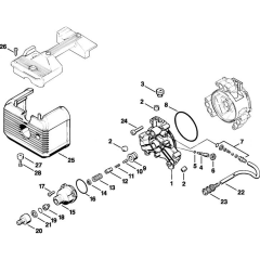
Rotor for Stihl Pressure Washers

Motor & Pedal Switch for Stihl RE

Switch Housing for Stihl RE

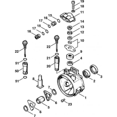
Pump Housing for Stihl RE Series

Regulation Valve Block

Pump Cover for Stihl RE Washers

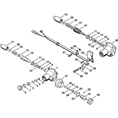
Spray Gun for Stihl Washers

Spray Gun & Lance for Stihl

Spray Gun & Lance for Stihl

Tools for Stihl Pressure Washers

Tools & Extras for Stihl Washers

Tools & Extras for Stihl

Tools & Extras for Stihl

Pump Cover for Stihl Washers

Spray Head & Lance for Stihl
All products
-
Washer 6.4 for Stihl FS55, FS55C - 9291 021 0140£0.41 £0.34
-
O-Ring 13.5x1.5 for Stihl RE220K, RE240K Pressure Washers - 9645 945 1320Was £0.58 £0.48 Special Price £0.46 £0.38
-
O-Ring 17x1.5 for Stihl RE500W, RE530W Pressure Washers - 9645 945 7586Was £0.41 £0.34 Special Price £0.32 £0.27
-
O-Ring 15x1.8 for Stihl RB300K, RE250K Pressure Washers- 9645 945 7569Was £1.92 £1.60 Special Price £1.54 £1.28
-
Washer for Stihl FR220, FS220 - 0000 958 0609£1.32 £1.10