
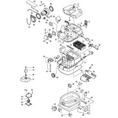
DeWalt DW793 Type 1 Dust Extractor Parts
Spare Parts and Part Diagrams for DeWalt DW793 Type 1 Dust Extractors
Spare Parts and Part Diagrams for DeWalt DW793 Type 1 Dust Extractors
Shop by diagram
All products
-
Filter - Genuine DeWalt/ Black & Decker Part - 279516-00£101.81 £84.84 -
Switch - Genuine DeWalt/ Black & Decker Part - 560560-00£113.65 £94.71