
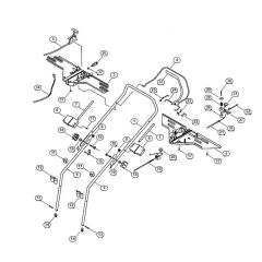
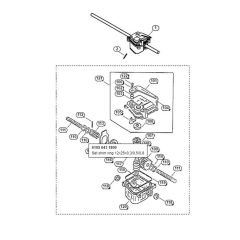
Viking MB 455 C Petrol Lawn Mowers
Spare Parts for Viking MB 455 C Petrol Lawn Mowers
Spare Parts for Viking MB 455 C Petrol Lawn Mowers
Shop by diagram
All products
-
Washer 5.3 for Stihl Machines - 9307 020 0120£0.41 £0.34 -
Rope rotor - Genuine Stihl OEM No. 6101 704 4700£3.01 £2.51