
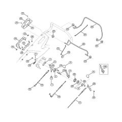
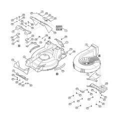
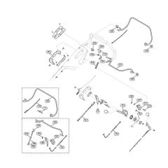
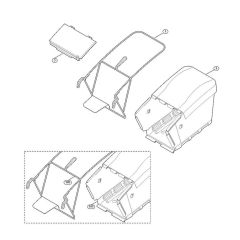
Viking MB 756.0 YC Petrol Lawn Mowers
Spare Parts for Viking MB 756.0 YC Petrol Lawn Mowers
Spare Parts for Viking MB 756.0 YC Petrol Lawn Mowers
Shop by diagram
All products
-
E Clip for Stihl MS380 Chainsaw - 9460 624 1000£0.41 £0.34 -
E-Clip 5 for Stihl 08S, 038 - 9460 624 0500£0.48 £0.40 -
Tyre for Stihl MB 4.0 RTP Lawn Mowers - 6375 704 9520£32.78 £27.32 -
E-Clip 8 for Stihl BR320, BR320L - 9460 624 0800£0.41 £0.34 -
Flat Head Screw for Stihl RM 756.0 GC Petrol Lawn Mower - 9027 068 1280Was £1.06 £0.88 Special Price £0.84 £0.70