
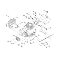
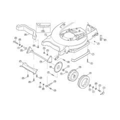
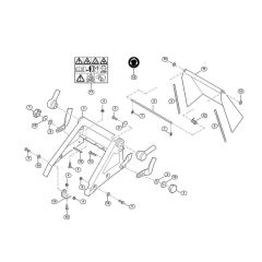
Viking MB 858.0 Petrol Lawn Mowers
Spare Parts for Viking MB 858.0 Petrol Lawn Mowers
Spare Parts for Viking MB 858.0 Petrol Lawn Mowers
Shop by diagram
All products
-
E-Clip 4 for Stihl MS181, MS170 - 9460 624 0400£0.48 £0.40 -
Washer 5.3 for Stihl Machines - 9307 020 0120£0.41 £0.34 -
Screw for Stihl/ Viking MB 455 BC Lawn Mowers - 9008 345 1280Was £1.06 £0.88 Special Price £0.84 £0.70 -
Screw for Stihl/ Viking GE 260 Electric Shedders - 9008 318 1320Was £1.06 £0.88 Special Price £0.84 £0.70 -
Cable - Genuine Stihl OEM No. 6395 700 7540£25.42 £21.18 -
Washer 10x16x1.5 for Stihl SP400, SP450 Special-purpose Unit- 9296 021 1569Was £0.41 £0.34 Special Price £0.32 £0.27 -
E-Clip 8.4 for Stihl RB300K - 9460 624 4030£0.41 £0.34