
Viking MF 480 Ride on Mowers
Spare Parts for Viking MF 480 Ride on Mowers
Spare Parts for Viking MF 480 Ride on Mowers
Shop by diagram

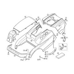
Moulding for Stihl/Viking MF 480

Frame for Stihl/Viking MF 480

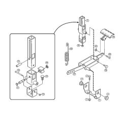
Lifting Device for MF 480 Mowers

Seat for Stihl/Viking MF 480

Steering for Stihl/Viking MF 480

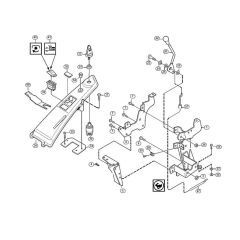
Controls for Stihl/ Viking MF 480

Brake & Clutch for Stihl/Viking

Electric Equipment for Mowers

Engine for Stihl/Viking MF 480

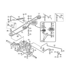
Transmission for Stihl/Viking MF 480

Wheels for Stihl/Viking MF 480

PTO Mowing Deck for MF 480

Stihl/Viking MF 480 Accessories
All products
-
Battery 12V-17Ah - Genuine Stihl OEM No. 6170 400 1100£139.44 £116.20