
Viking MR 4082.0 K Ride on Mowers
Spare Parts for Viking MR 4082.0 K Ride on Mowers
Spare Parts for Viking MR 4082.0 K Ride on Mowers
Shop by diagram

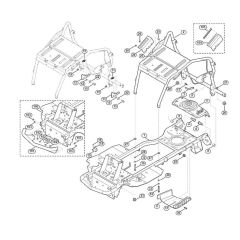
Frame for Stihl/Viking Mowers

Dashboard for Stihl/Viking Mowers

Moulding for Stihl/Viking Mowers

Seat for Stihl/Viking Mowers

Back Panel for Stihl/Viking Mowers

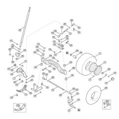
Steering & Front Wheel for Mowers

Engine and Tank for Mowers

Gearbox & Rear Wheel for Mowers

Brake & Gearbox Control for Mowers

Height Adjustment for Mowers

Mowing Deck Housing

Blade Drive for Stihl/Viking Mowers

Grass Catcher Bag for Mowers

Electric Equipment for Mowers
All products
-
Washer 4.3 for Stihl FW20, FS300 - 9307 021 0100£0.48 £0.40
-
Blade for Stihl MR 4082.0 Mowers - 6140 702 0100£75.34 £62.78
-
Flat Head Screw for Stihl RM 756.0 GC Petrol Lawn Mower - 9027 068 1280Was £1.06 £0.88 Special Price £0.84 £0.70