
Viking MT 4112.0 S Ride on Mowers
Spare Parts for Viking MT 4112.0 S Ride on Mowers
Spare Parts for Viking MT 4112.0 S Ride on Mowers
Shop by diagram

Frame for Stihl/Viking Mowers

Dashboard for Stihl/Viking Mowers

Moulding for Stihl/Viking Mowers

Engine Hood for Stihl/Viking Mowers

Steering & Front Wheel

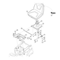
Seat for Stihl/Viking Mowers

Engine and Tank for MT 4112.0 S

Gearbox & Clutch for Stihl/Viking

Brake & Control Lever for Mowers

Height Adjustment for Stihl/Viking

Mowing Deck Housing

Blade Drive for Stihl/Viking

Electric Equipment for Mowers
All products
-
V-belt pulley half - Genuine Stihl OEM No. 6165 764 8400£25.84 £21.53
-
Flat Head Screw for Stihl RM 756.0 GC Petrol Lawn Mower - 9027 068 1280Was £1.06 £0.88 Special Price £0.84 £0.70
-
Washer 5.3 for Stihl Machines - 9307 020 0120£0.41 £0.34