
Viking MT 6112.1 ZL Ride on Mowers
Spare Parts for Viking MT 6112.1 ZL Ride on Mowers
Spare Parts for Viking MT 6112.1 ZL Ride on Mowers
Shop by diagram

Frame for Stihl/Viking MT 6112.1 ZL

Dashboard for Stihl/Viking Mowers

Moulding for Stihl/Viking Mowers

Engine Hood for Stihl/Viking Mowers

Steering & Front Wheel for Mowers

Seat for Stihl/Viking MT 6112.1 ZL

Back Panel for Stihl/Viking Mowers

Engine and Tank for Mowers

Gearbox, Wheel, Blade Clutch

Brake & Control Parts for Mowers

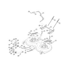
Height Adjustment for MT 6112.1 ZL

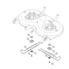
Mowing Deck for Stihl/Viking

Blade Drive for Stihl/Viking Mowers

Blade for Stihl/Viking MT 6112.1 ZL

Grass Catcher Bag for Mowers

Electric Equipment for Mowers
All products
-
Washer 4.3 for Stihl FW20, FS300 - 9307 021 0100£0.48 £0.40