Viking MT 740 (1999, 2000) Ride on Mowers
Spare Parts for Viking MT 740 (1999, 2000) Ride on Mowers
Spare Parts for Viking MT 740 (1999, 2000) Ride on Mowers
Shop by diagram
Frame & Body for MT 740 Mowers
Body and Seat for MT 740
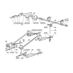
Steering for Stihl/Viking MT 740
Brake & Gearbox Control MT 740
Engine for Stihl/Viking MT 740
Gear Box for Stihl/Viking MT 740
Height Adjustment for MT 740
Mowing Deck for Stihl/Viking MT 740
Mowing Deck-1 for MT 740
Grass Catcher Bag for MT 740
Lifting Device Box for MT 740
Stihl/Viking MT 740 Accessories
All products
-
Washer 6.4 for Stihl FS55, FS55C - 9291 021 0140£0.41 £0.34 -
Washer 5.3 for Stihl FS81, FS86 - 9307 021 0120£0.41 £0.34 -
Circlip 19x1.2 for Stihl 028 - 9455 621 2060£0.97 £0.81 -
Self-tapping Screw 4.8x16 for Viking MB 410 , MB 415 , MB 443.0 Lawnmowers - 9101 021 3780Was £1.06 £0.88 Special Price £0.84 £0.70 -
Spring Washer 6 for Stihl KB, KW - 9321 630 0140£0.41 £0.34