
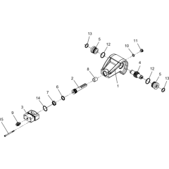
Wacker BPU2540A (5000008758) Rev. 108 Compactor Parts
Wacker BPU2540A with Petrol Engine. Genuine Wacker Parts Available. Complete Parts Assembly Breakdown Included.
This Parts Diagram is Based on Serial Number 5000008758. Please Note, Parts May Vary Between Revisions. Refer to Your User Manual to Identify Your Revision and Serial Number. If you are Unsure Please Contact our Sales Team
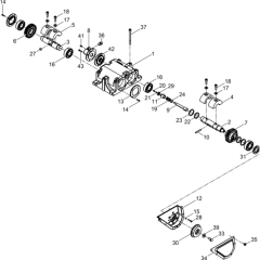
Wacker BPU2540A with Petrol Engine. Genuine Wacker Parts Available. Complete Parts Assembly Breakdown Included.
This Parts Diagram is Based on Serial Number 5000008758. Please Note, Parts May Vary Between Revisions. Refer to Your User Manual to Identify Your Revision and Serial Number. If you are Unsure Please Contact our Sales Team
Shop by diagram
All products
-
Seal Compact DPU2450H - Genuine Wacker Part No. 0129269£13.48 £11.23 -
Genuine Bolt for Wacker DPU2540 Plate Compactor£4.28 £3.57 -
Centre Pole for Wacker DPU2540H, DPU 2550H, DPU 2560H - 0125945£418.02 £348.35 -
Spacer for Wacker DPU6555HS - OEM No. 0125926£70.09 £58.41