
Wacker BPU3050A (Petrol) Parts
Wacker BPU3050A with Petrol Engine. Genuine Wacker Parts Available. Complete Parts Assembly Breakdown Included.
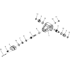
This Parts Diagram is Based on Serial Number 5000008763. Please Note, Parts May Vary Between Revisions. Refer to Your User Manual to Identify Your Revision and Serial Number. If you are Unsure Please Contact our Sales Team
Wacker BPU3050A with Petrol Engine. Genuine Wacker Parts Available. Complete Parts Assembly Breakdown Included.
This Parts Diagram is Based on Serial Number 5000008763. Please Note, Parts May Vary Between Revisions. Refer to Your User Manual to Identify Your Revision and Serial Number. If you are Unsure Please Contact our Sales Team
Shop by diagram
All products
-
Seal Compact DPU2450H - Genuine Wacker Part No. 0129269£13.48 £11.23 -
Genuine Bolt for Wacker DPU2540 Plate Compactor£4.28 £3.57 -
Spacer for Wacker DPU6555HS - OEM No. 0125926£70.09 £58.41