
Wacker BPU5545A (5100009657) Plate Compactor Parts
Wacker BPU5545A with Petrol Engine. Genuine Wacker Parts Available. Complete Parts Assembly Breakdown Included.
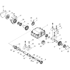
This Parts Diagram is Based on Serial Number 5100009657. Please Note, Parts May Vary Between Revisions. Refer to Your User Manual to Identify Your Revision and Serial Number. If you are Unsure Please Contact our Sales Team
Wacker BPU5545A with Petrol Engine. Genuine Wacker Parts Available. Complete Parts Assembly Breakdown Included.
This Parts Diagram is Based on Serial Number 5100009657. Please Note, Parts May Vary Between Revisions. Refer to Your User Manual to Identify Your Revision and Serial Number. If you are Unsure Please Contact our Sales Team
Shop by diagram

Vibration Plate Assembly

Vibration Plate Assembly

Upper Mass Assembly for Wacker

Baseplate Assembly for Wacker

Exciter Assembly for Wacker

Centre Pole Assembly for Wacker

Centre Pole Head Assembly

Labels for Wacker BPU5545A

Extension Plate Kit for Wacker

Extension Plate Kit for Wacker

Extension Plate Kit for Wacker

Screws for Wacker BPU5545A

Urethane Pad Kit for Wacker

Retrofit Kit for Wacker BPU5545A
All products
-
Spacer for Wacker DPU6555HS - OEM No. 0125926£63.64 £53.03
-
Center Pole Tube, Genuine Wacker Part - OEM No. 5100009952£306.84 £255.70
-
Vent Cover DPU6055 - Genuine Wacker Part No. 0102144£57.82 £48.18