
Wacker CRT 36-26 Ride-On Trowel Parts
Genuine and non-genuine spare parts for Wacker Neuson CRT 36-26 Ride-On Trowel.
Genuine and non-genuine spare parts for Wacker Neuson CRT 36-26 Ride-On Trowel.
Shop by diagram

Decals for Wacker CRT 36-26

Engine Assembly for Wacker

Wheel Assembly for Wacker CRT 36-26

Drive Assembly for Wacker CRT 36-26

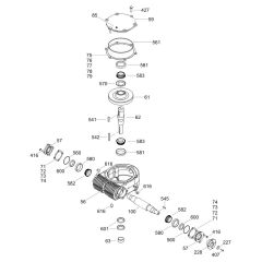
Gearbox Assembly for Wacker

Gearbox Assembly for Wacker

Blade Mechanism Assembly

Blade Mechanism Assembly

Steering Assembly for Wacker Trowel

Pitch Control Assembly

Panel Assembly for Wacker CRT 36-26

Tank Assembly for Wacker Trowel

Seat Assembly for Wacker CRT 36-26

Front Assembly for Wacker CRT 36-26
All products
-
Bolt fits Wacker BS50-2 Guide Handle - 0011341£0.74 £0.62
-
Washer Flat for Wacker VP1030A Engines - 0114766£0.94 £0.78
-
O Ring CT36 - Genuine Wacker Part No. 0115927£5.52 £4.60
-
Link - Adj CT36 - 48 - Genuine Wacker Part No. 0114085£131.16 £109.30
-
Hub Spider CT36 - 48 - Genuine Wacker Part No. 0114270£474.84 £395.70
-
Ball CT36 - 5 - Genuine Wacker Part No. 0157008£1.32 £1.10
-
Cap, Genuine Wacker Part - OEM No. 5000155804£0.62 £0.52