
Wacker DPU2560H-TS Plate Compactor Parts
Wacker DPU2560H-TS with Diesel-Recoil Starter Engine. Genuine Wacker Parts Available. Complete Parts Assembly Breakdown Included.
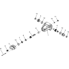
This Parts Diagram is Based on Serial Number 5000610038. Please Note, Parts May Vary Between Revisions. Refer to Your User Manual to Identify Your Revision and Serial Number. If you are Unsure Please Contact our Sales Team
Wacker DPU2560H-TS with Diesel-Recoil Starter Engine. Genuine Wacker Parts Available. Complete Parts Assembly Breakdown Included.
This Parts Diagram is Based on Serial Number 5000610038. Please Note, Parts May Vary Between Revisions. Refer to Your User Manual to Identify Your Revision and Serial Number. If you are Unsure Please Contact our Sales Team
Shop by diagram

Vibratory Plate Assembly

Exciter Assembly for Wacker

Center Pole Assembly for Wacker

Center Pole Head Assembly

Engine Assembly for Wacker

Centrifugal Clutch for Wacker

Protective Frame for Wacker DPU2560H-TS

Jack Ring Assembly for Wacker

Label Assembly for Wacker DPU2560H

Towing Eye Assembly for Wacker

Urethane Pad Assembly
All products
-
Seal Compact DPU2450H - Genuine Wacker Part No. 0129269£12.16 £10.13
-
Genuine Bolt for Wacker DPU2540 Plate Compactor£4.18 £3.48
-
Centre Pole for Wacker DPU2540H, DPU 2550H, DPU 2560H - 0125945£376.32 £313.60
-
Spacer for Wacker DPU6555HS - OEM No. 0125926£63.64 £53.03