
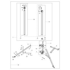
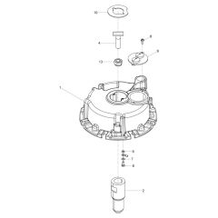
Wacker LB80M Light Balloon Parts
Genuine and non-genuine Wacker Neuson LB80M Light Balloon spare parts including LED bulbs, cables and connectors.
Genuine and non-genuine Wacker Neuson LB80M Light Balloon spare parts including LED bulbs, cables and connectors.