excellent reviews view over 8000 reviews
next day delivery over 500,000 items in stock
no hassle returns buy with confidence
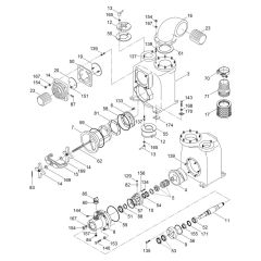
Wacker PT6LS Self Priming Trash Pump Parts

Wacker PT6LS Self Priming Trash Pump Parts

All products

1 Item

Set Descending Direction

1 Item

Set Descending Direction

Recently viewed products