
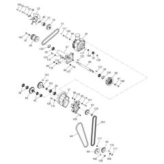
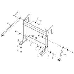
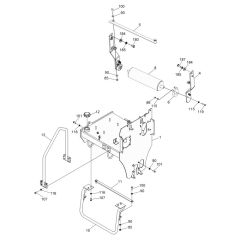
Wacker RS600A Walk-Behind Roller Parts
Genuine and non-genuine spare parts for Wacker Neuson RS600A Walk-Behind Roller.
Genuine and non-genuine spare parts for Wacker Neuson RS600A Walk-Behind Roller.
Shop by diagram
All products
-
U Bolt RS800 - Genuine Wacker Part No. 0074885£6.62 £5.52 -
Nipple RS800 - Genuine Wacker Part No. 0078617£9.16 £7.63 -
Fitting Union RS800 - Genuine Wacker Part No. 0076044£56.99 £47.49 -
Fitting RS800 - Genuine Wacker Part No. 0074055£67.64 £56.37 -
Filter Water RS800 - Genuine Wacker Part No. 0078499£29.50 £24.58 -
Decal DPU00 - 70 - Genuine Wacker Part No. 0222103£22.04 £18.37 -
Cap - Water Tank RS800 - Genuine Wacker Part No. 0073167£98.27 £81.89 -
Bushing Nylon RS800 - Genuine Wacker Part No. 0072614£24.31 £20.26 -
Washer for Wacker BS50-2i Rammer - 5000012648£0.48 £0.40 -
E-Ring, Genuine Wacker Part - OEM No. 5000400406£0.53 £0.44