
Wacker VP1030A Parts (Early Model)
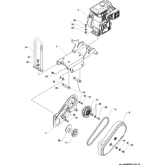
Wacker VP1030A Plate Compactor Spares with Honda Engine for Serial Number 5000008701 Rev.112
Wacker VP1030A Plate Compactor Spares with Honda Engine for Serial Number 5000008701 Rev.112
Shop by diagram
All products
-
Bolt for Wacker BS50-2 Air Cleaner - 5000012361£0.48 £0.40 -
Bolt, Genuine Wacker Part - OEM No. 5000151935£1.63 £1.36 -
Clutch Centrifugal VP1030/1135 (To Suit 15mm Shaft) - 0130041£181.56 £151.30 -
Base Plate (30cm) for Wacker VP1030 Plate Compactor - 0130044£435.84 £363.20 -
Slide Plate WP1540/1550 - Genuine Wacker Part No. 0112350£161.76 £134.80 -
Seal, Genuine Wacker Part - OEM No. 5000156651£8.10 £6.75 -
Washer Flat for Wacker VP1030A Engines - 0114766£0.94 £0.78 -
Timing Cover VP1030R - Genuine Wacker Part No. 0156686£249.84 £208.20 -
Starter Cpl VP1030A GX100 - Genuine Wacker Part No. 0156725£276.60 £230.50 -
Shroud BPS1030 - 1135A - Genuine Wacker Part No. 0078561£24.12 £20.10