Description
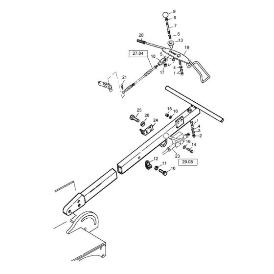
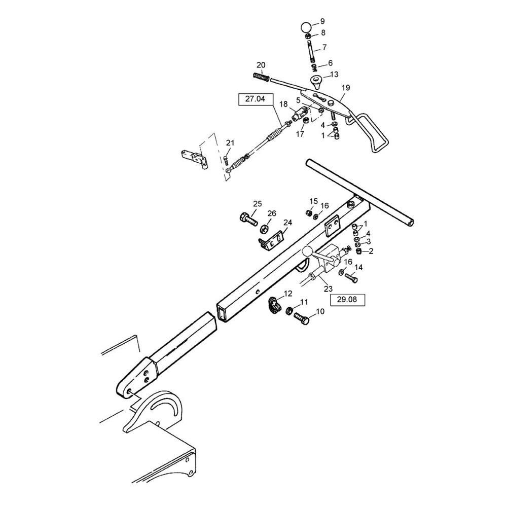
The Actuation Assembly for the Bomag BW 71 E Roller is designed to ensure optimal performance and reliability. This assembly includes key components that facilitate the operation of the roller, such as levers, springs, and linkages. Essential for maintaining the machine's functionality, these parts are available for specific models, ensuring compatibility and efficiency.
Reviews
Add a review
Write Your Own Review
Ask a Question
Customer Questions

