Description
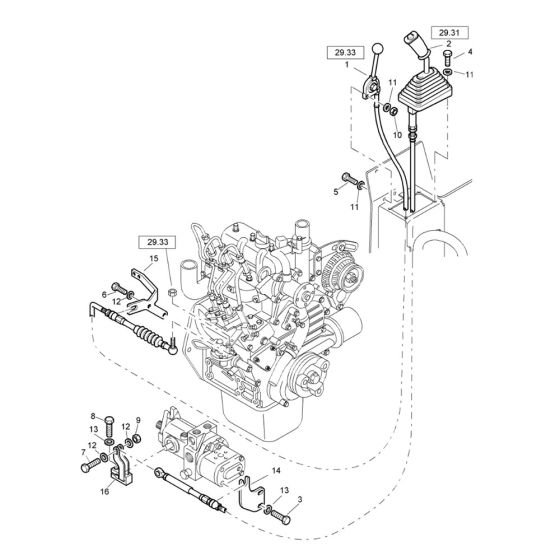
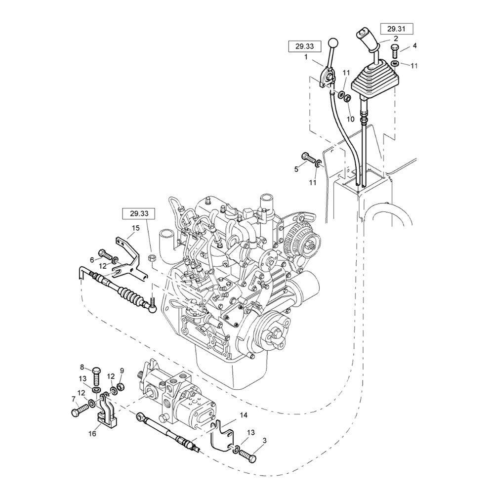
The Actuation Assembly for the Bomag BW 80 AD-2 Roller ensures efficient operation and control of the machine. This assembly includes key components such as levers, springs, and linkages, which are crucial for the precise actuation of the roller's functions. Designed to fit specific serial numbers, it maintains the reliability and performance of your Bomag roller.
Reviews
Add a review
Write Your Own Review
Ask a Question
Customer Questions

