Description
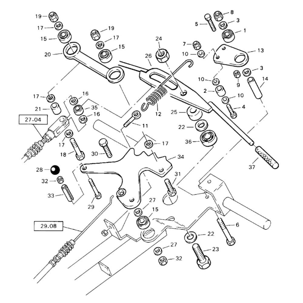
The Actuation Assembly for the Bomag BW 71 E Roller includes key components designed to ensure optimal operation and control. This assembly is crucial for the precise actuation of the roller's functions, contributing to efficient performance on site. Components may include levers, springs, and seals, all essential for maintaining the roller's reliability and effectiveness.
Reviews
Add a review
Write Your Own Review
Ask a Question
Customer Questions

