Description
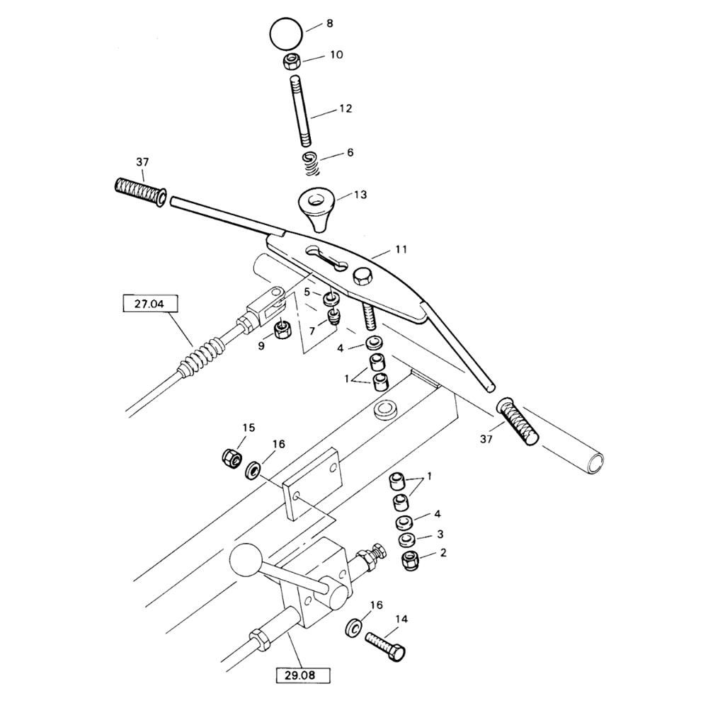
The Actuation Assembly for the Bomag BW 71 E Roller is designed to ensure optimal performance and longevity of the machine. This assembly includes essential components such as levers, springs, and connectors that facilitate precise control and operation. Suitable for serial numbers 101620200247 to 101620200381, it is crucial for maintaining the roller's efficiency and reliability.
Reviews
Add a review
Write Your Own Review
Ask a Question
Customer Questions

