Description
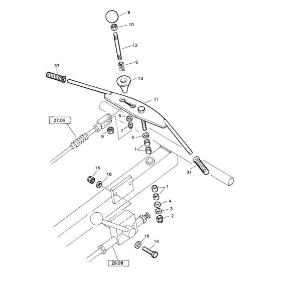
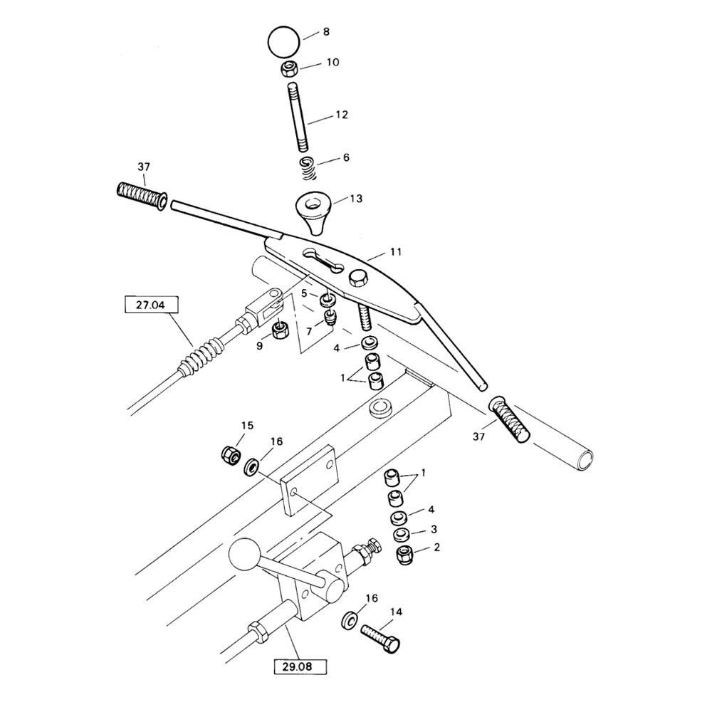
The Actuation Assembly for the Bomag BW 71 E Roller includes key components designed to ensure optimal operation and control. This assembly is crucial for the precise handling and manoeuvrability of the roller. Components such as levers, springs, and linkages are included, providing reliable performance and durability. Suitable for models with serial numbers 101620200382 to 101620200441.
Reviews
Add a review
Write Your Own Review
Ask a Question
Customer Questions

