Description
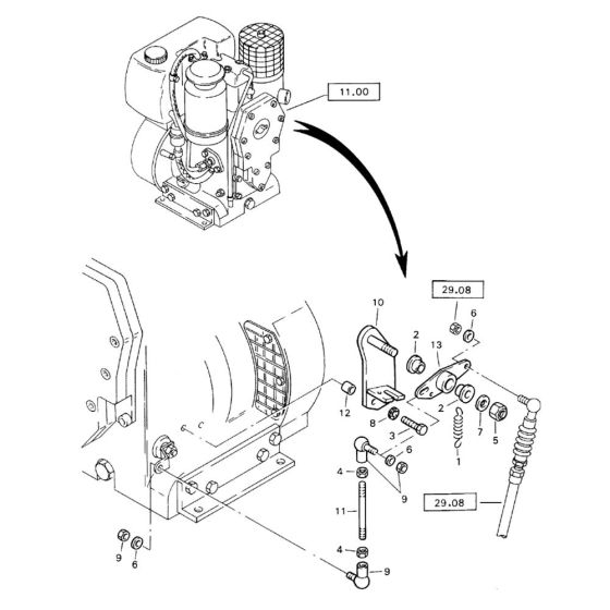
The Actuation Assembly for the Bomag BW 71 E Roller includes essential components designed to ensure optimal performance and reliability. This assembly plays a crucial role in the operation of the roller, helping to manage and control its movement. Genuine Bomag parts are used to maintain the integrity and efficiency of the machine, ensuring long-lasting service life.
Reviews
Add a review
Write Your Own Review
Ask a Question
Customer Questions

