Description
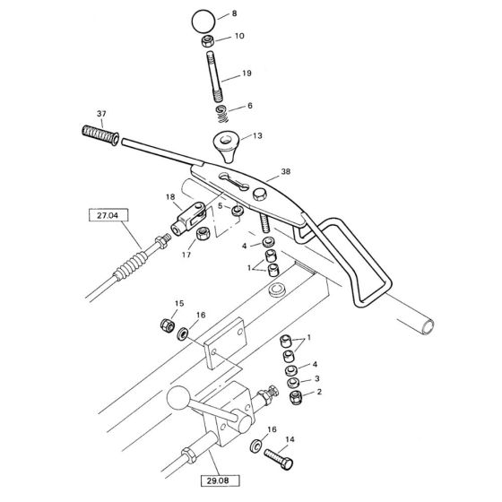
The Actuation Assembly for the Bomag BW 71 E Roller ensures optimal machine performance. This assembly includes key components such as levers, springs, and linkages, designed to facilitate precise control and operation of the roller. Essential for maintaining the roller's functionality, these parts help in achieving efficient compaction results. Suitable for serial numbers 101620200522 to 101620200681, ensuring compatibility and reliability.
Reviews
Add a review
Write Your Own Review
Ask a Question
Customer Questions

