Description
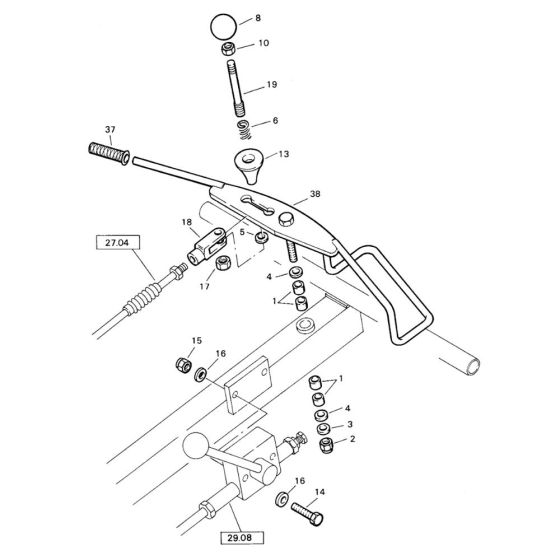
The Actuation Assembly for the Bomag BW 71 E Roller ensures optimal performance and reliability. This assembly includes key components designed to facilitate the smooth operation of the roller, enhancing its efficiency and lifespan. Essential parts such as levers, springs, and connectors are included, providing comprehensive support for maintenance and repair tasks.
Reviews
Add a review
Write Your Own Review
Ask a Question
Customer Questions

