Description
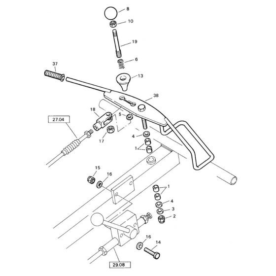
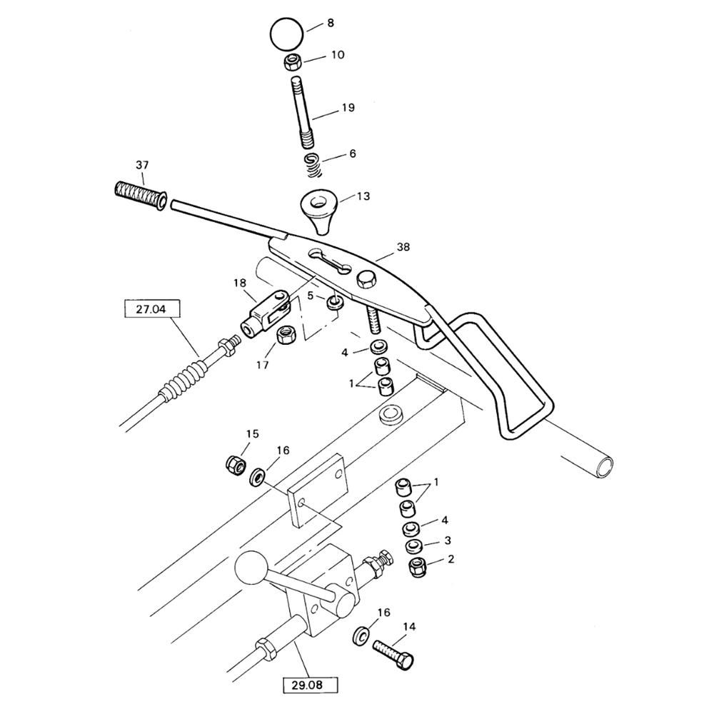
The Actuation Assembly for the Bomag BW 71 E Roller ensures efficient operation and control of the machine. It includes key components such as levers, springs, and linkages that facilitate precise movement and handling. Designed for specific serial numbers, this assembly is crucial for maintaining the roller's performance and reliability in various construction tasks.
Reviews
Add a review
Write Your Own Review
Ask a Question
Customer Questions

