Description
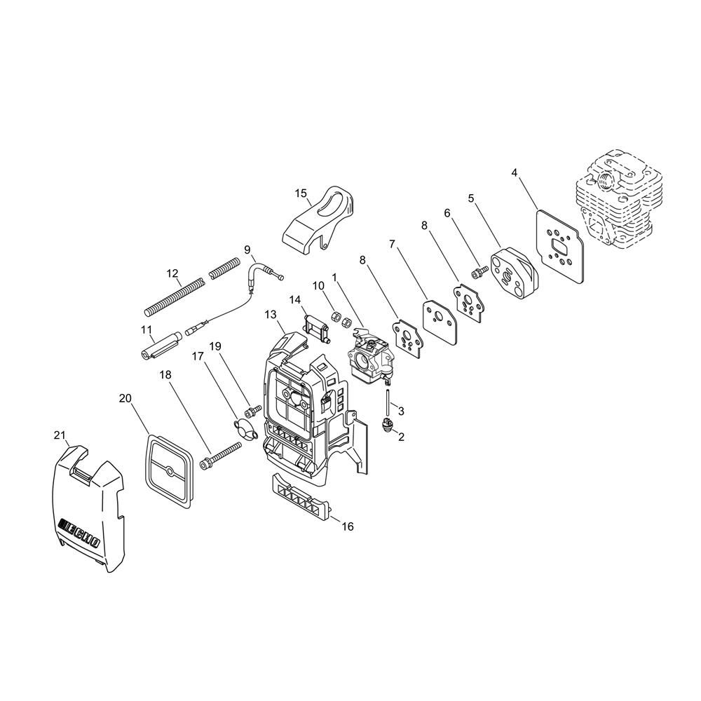
The Air Cleaner and Carburettor for the ECHO SRM-350ES/U Brushcutter are crucial for maintaining optimal engine performance. These components ensure efficient air intake and fuel mixing, enhancing the brushcutter's reliability and longevity. Available options include genuine and non-genuine parts, catering to various maintenance needs.
Reviews
Add a review
Write Your Own Review
Ask a Question
Customer Questions

