Description
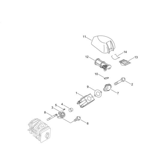
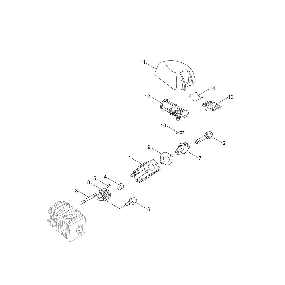
The Air Cleaner and Carburettor assembly for the Shindaiwa 361WS Chainsaw ensures optimal engine performance and longevity. This assembly includes components like filters, gaskets, and jets, crucial for maintaining clean airflow and efficient fuel mixing. Designed for routine maintenance, these parts help protect the engine from dust and debris, ensuring reliable operation.
Reviews
Add a review
Write Your Own Review
Ask a Question
Customer Questions

