Description
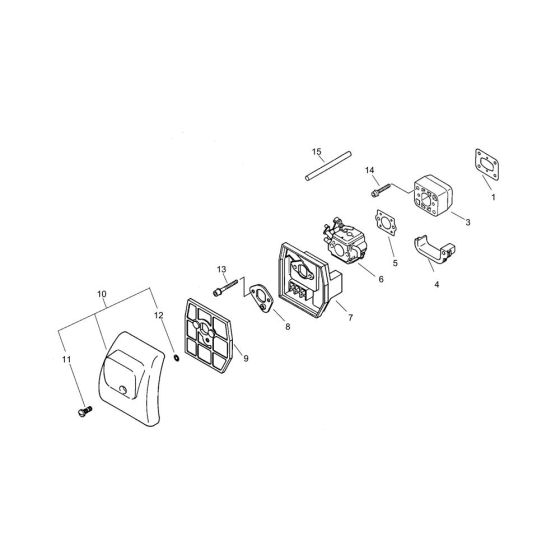
The Air Cleaner for the ECHO CLS-5800 Brushcutter is designed to ensure optimal performance by filtering out dust and debris. This component is crucial for maintaining engine efficiency and longevity. Available in both genuine and non-genuine parts, it includes elements such as filters, seals, and housings to suit various maintenance needs.
Reviews
Add a review
Write Your Own Review
Ask a Question
Customer Questions

