Description
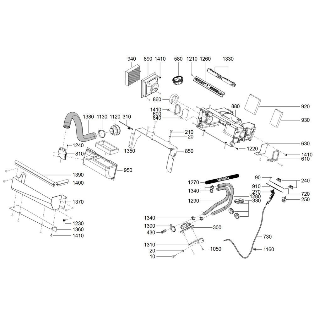
The Air Conditioner and Heating Assembly for the Wacker TH625 Telehandler ensures optimal climate control within the cab. This assembly includes components such as ducts, blowers, and thermostats, designed to maintain comfort in varying weather conditions. Genuine Wacker Neuson parts guarantee compatibility and reliability, enhancing the telehandler's operational efficiency.
Reviews
Add a review
Write Your Own Review
Ask a Question
Customer Questions

