Description
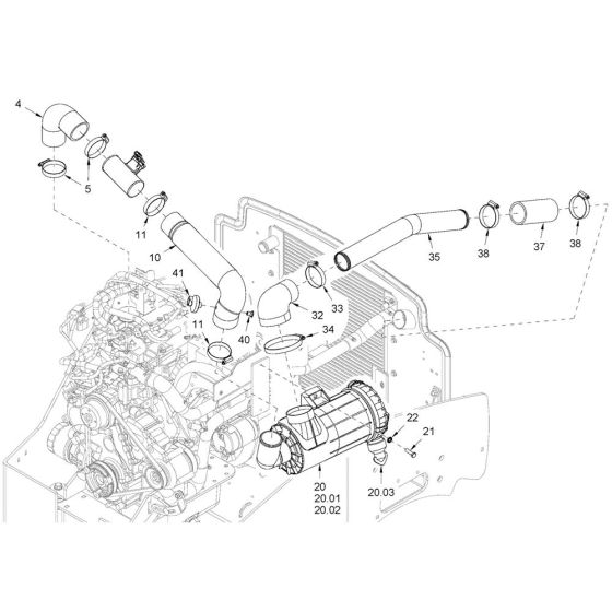
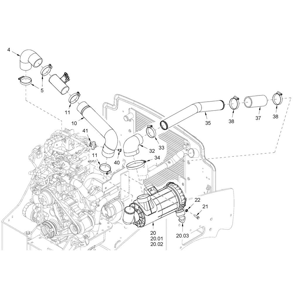
The Air Filter System for Hamm HD10i - 12i (H251) Rollers is designed to ensure optimal engine performance by providing clean airflow. This system helps reduce engine wear caused by dust and debris. It includes various components such as filters, seals, and clamps, available in genuine and non-genuine options. Regular maintenance with these parts can extend the life of your roller and improve efficiency.
Reviews
Add a review
Write Your Own Review
Ask a Question
Customer Questions

