Description
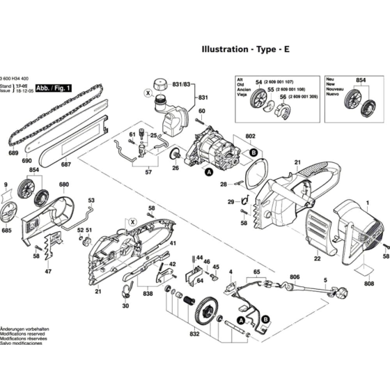
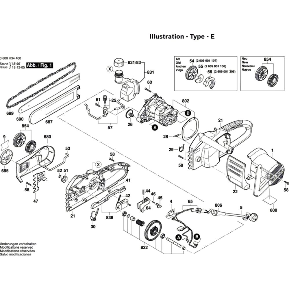
The Electric Chainsaw Assembly for Bosch AKE 35 S Chainsaws includes essential components for maintaining and repairing your chainsaw. Designed to ensure optimal performance, the assembly offers genuine and non-genuine parts such as chains, bars, sprockets, and tensioners. Suitable for routine maintenance, these parts help extend the lifespan of your chainsaw.
Reviews
Add a review
Write Your Own Review
Ask a Question
Customer Questions

