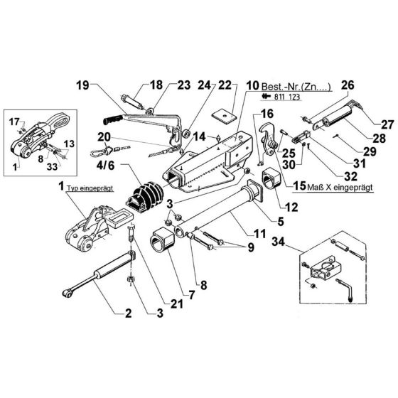
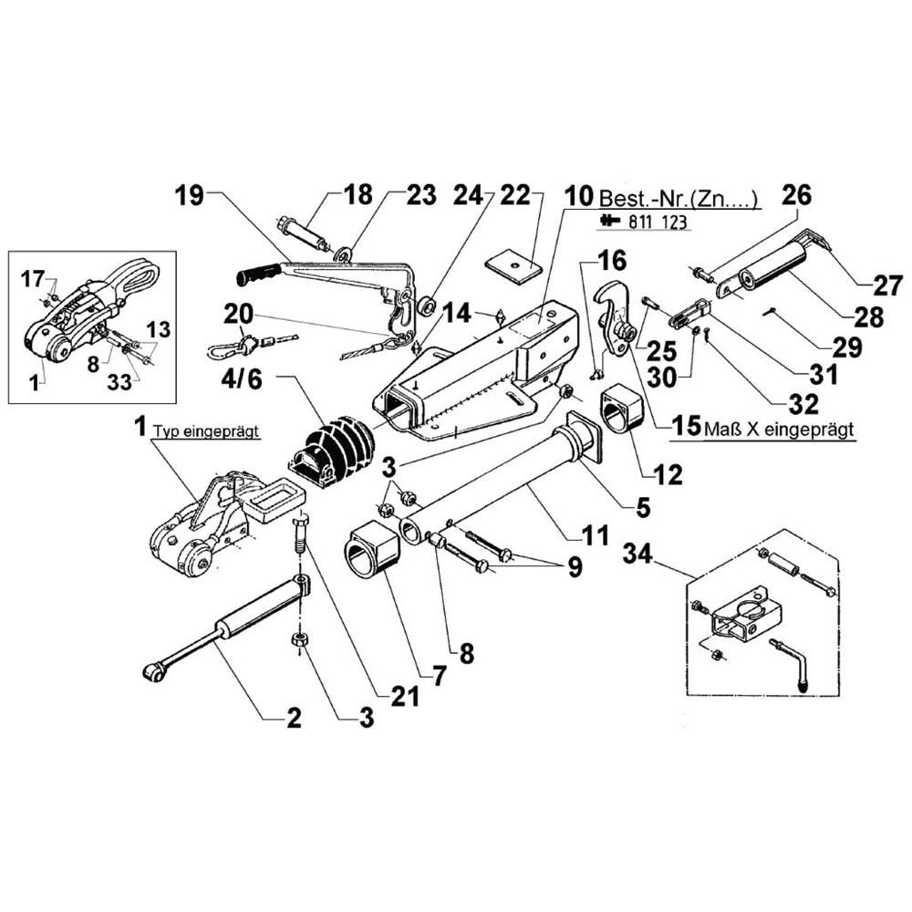
Description
AL-KO 161S Hitches are designed to provide secure and reliable towing connections. These genuine AL-KO parts ensure optimal performance and safety during transport. Suitable for various towing applications, they are crafted to meet high standards of durability and strength. Available in different configurations to suit specific towing needs.
Reviews
Add a review
Write Your Own Review
Ask a Question
Customer Questions

