Description
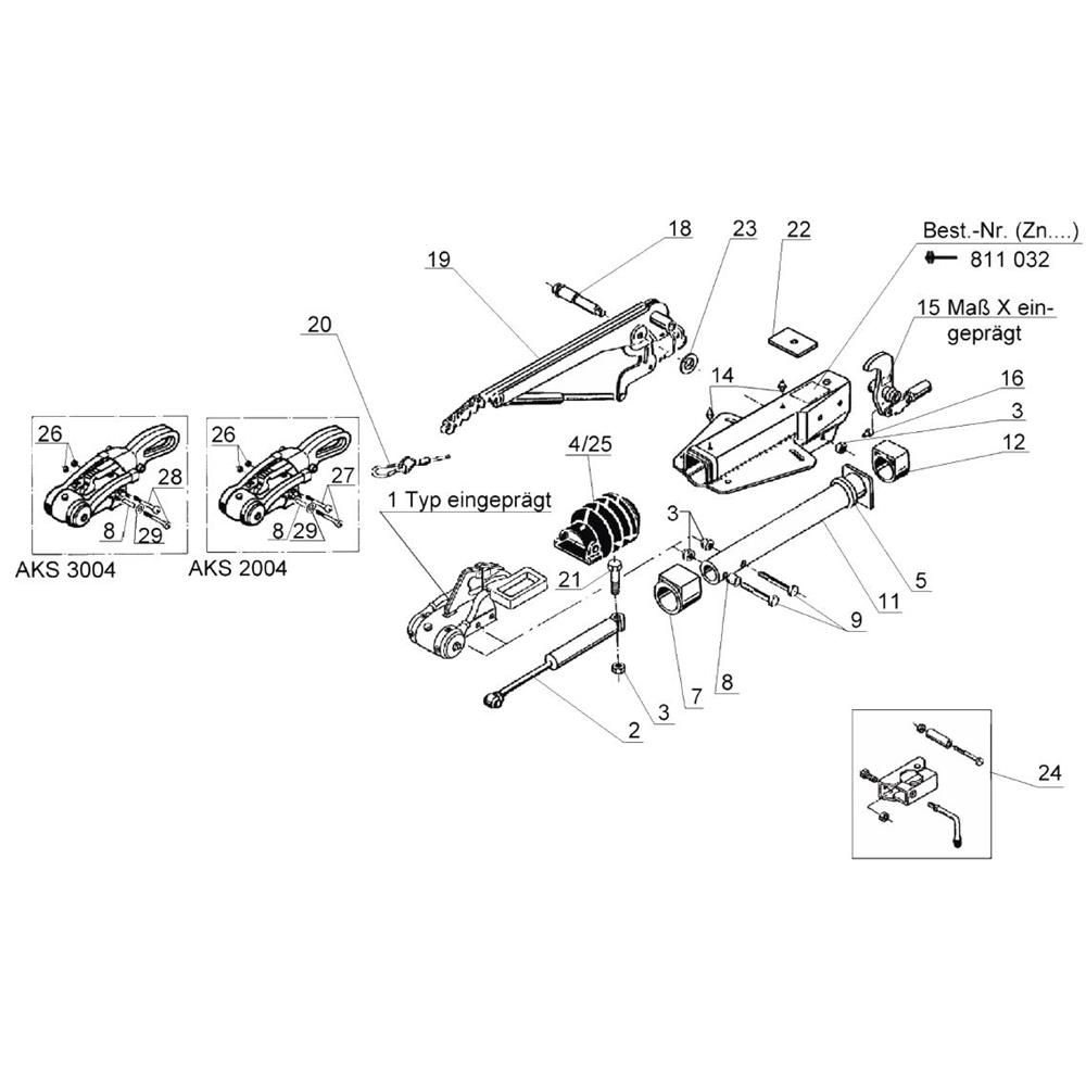
AL-KO 251S Hitches are designed to provide secure and reliable towing for various trailers and caravans. These genuine AL-KO parts ensure optimal performance and safety during transport. Suitable for different towing capacities, they are crafted to withstand the demands of frequent use, offering peace of mind on the road.
Reviews
Add a review
Write Your Own Review
Ask a Question
Customer Questions

