Description
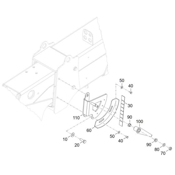
The Angle Adjustment Assembly for the Wacker TH412e Telehandler is crucial for precise positioning and operation. It includes components such as levers, brackets, and joints, ensuring optimal performance and safety. Designed for easy integration, this assembly helps maintain the telehandler's efficiency and reliability in various construction and agricultural tasks.
Reviews
Add a review
Write Your Own Review
Ask a Question
Customer Questions

