Description
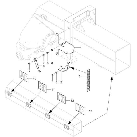
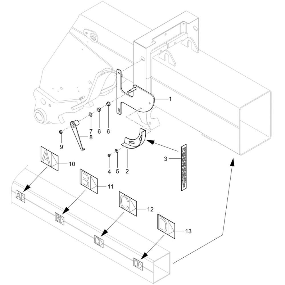
The Angle Adjustment Assembly for the Wacker TH745 Telehandler is designed to ensure precise positioning and stability during operation. This assembly includes components such as levers, brackets, and fasteners, which work together to facilitate accurate angle adjustments. Essential for maintaining optimal performance, these parts are genuine Wacker Neuson components, ensuring compatibility and reliability.
Reviews
Add a review
Write Your Own Review
Ask a Question
Customer Questions

