Description
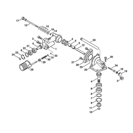
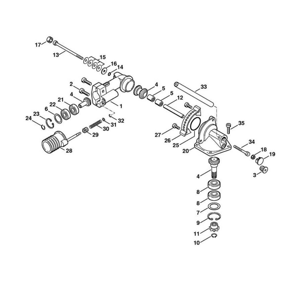
The Angle Drive Assembly (46.2025) for the Stihl HL 0 - 90 Power Tool Attachment is a genuine Stihl part designed to ensure optimal performance. This assembly facilitates the efficient transfer of power, enabling precise angle adjustments for various tasks. Components include gears, shafts, and bearings, all contributing to the reliable operation of your power tool.
Reviews
Add a review
Write Your Own Review
Ask a Question
Customer Questions

