
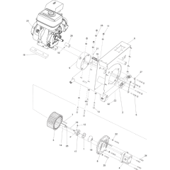
Atlas Copco LP13-30 EU Power Pack (s/n BGF024738 onwards)
Spare parts for Atlas Copco LP13-30 EU Power Pack (from s/n BGF024738 onwards)
Spare parts for Atlas Copco LP13-30 EU Power Pack (from s/n BGF024738 onwards)
Shop by diagram
All products
-
Protective Cap 1/2" Male fits Atlas Copco LP 9-20 Power Pack - 3371 8057 32Was £4.00 £3.33 Special Price £3.19 £2.66 -
Valve Block fits Atlas Copco LP 9-20 Power Pack - 3377 0214 14£353.28 £294.40 -
Locknut - Atlas Copco No. 0291 1110 00£0.48 £0.40 -
Screw Unc3/8x83 - Atlas Copco No. 3377 0004 20£6.38 £5.32 -
Fitting 04 - Atlas Copco No. 3377 0004 04£27.62 £23.02 -
Nipple - Atlas Copco No. 3371 8057 11£6.73 £5.61 -
7 M 1/2" Hose - Atlas Copco No. 3371 8030 55£417.60 £348.00