
Atlas Copco LP9-20P PAC Petrol Power Pack (s/n BGF077872 onwards)
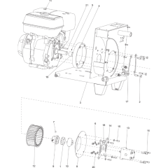
Spare parts for Atlas Copco LP9-20P PAC Petrol Power Pack (from s/n BGF077872 onwards)
Spare parts for Atlas Copco LP9-20P PAC Petrol Power Pack (from s/n BGF077872 onwards)
Shop by diagram
All products
-
Wheel fits Atlas Copco LP 9-20 Power Pack - 3377 0056 12£56.46 £47.05 -
Sump Plug for Atlas Copco LP 9-20 Power Pack - OEM No. 0686 3718 01Was £34.98 £29.15 Special Price £27.98 £23.32 -
Pump 7.0cc fits Atlas Copco LP 9-20 Power Pack - 3377 0004 88£420.12 £350.10 -
Valve Block fits Atlas Copco LP 9-20 Power Pack - 3377 0214 14£353.28 £294.40 -
7 M Twin Hose fits Atlas Copco LP 9-20 Power Pack - 3371 8010 82£740.40 £617.00