Description
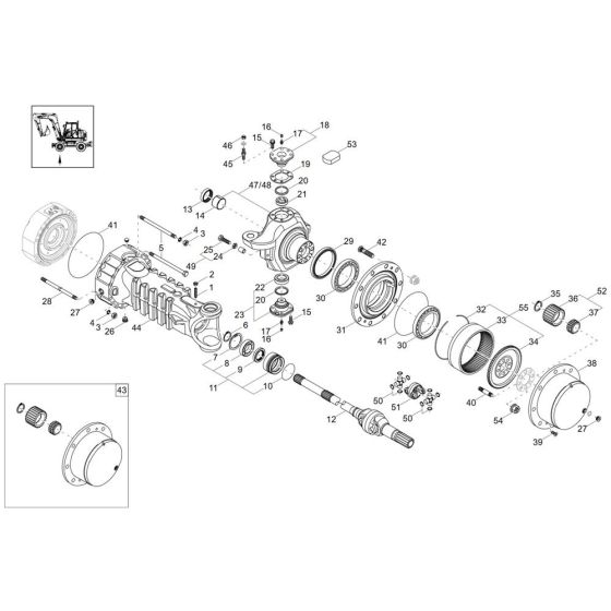
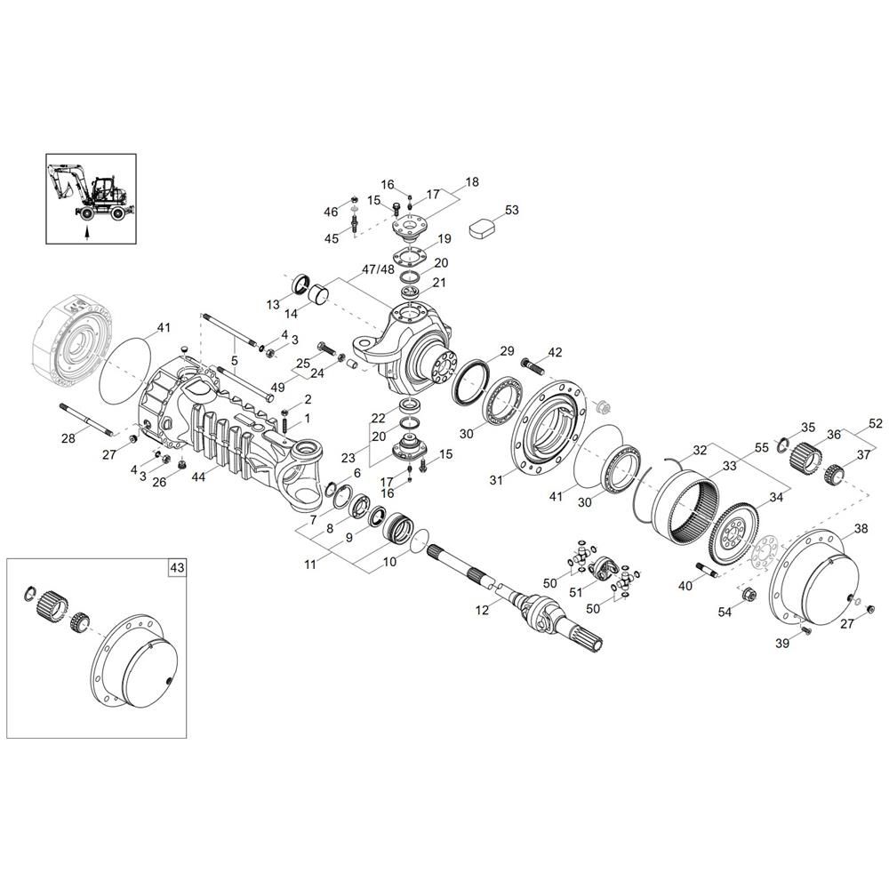
The Axle Case and Wheel Hub (Front) Assembly for the Wacker EW100-2 Excavator includes key components for maintaining optimal performance. This assembly ensures smooth operation and stability, featuring parts like bearings, seals, and shafts. Designed for durability, it supports the excavator's mobility and load-bearing capabilities.
Reviews
Add a review
Write Your Own Review
Ask a Question
Customer Questions

